DOMPELPOMP, materiaal gietijzer.
Korte product omschrijving:
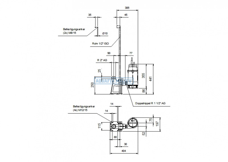
dompelpomp, materiaal gietijzer, type TP28V112DA 0,9 kW P2 - 2,2 Amp. - 400 Volt - 3 Fase - 50 Hz.
Het leveringsprogramma van de Aquafix vuilwater dompelpompen omvat:
- Dompelpompen met of zonder automatische aan/uit schakeling
- Optioneel: Pompput in kunststof (Polyethyleen (PE)), beton of RVS, op uw aangeven of na advies van een Aquafix adviseur. (Aquafix adviseert u gratis bij de pomp en put keuze).
- Optioneel: Vlotterschakelaar incl. contrastekker, voor de schakeling van de pomp.
- Optioneel: Separate hoogwater niveau signalering
- Optioneel: Separate schakelkast voor instelbare in/uit en alarmschakeling van de dompelpomp
- Optioneel: Vlotterschakelaar(s), open meetbel, luchtdruk besturing, hydrostatische niveaumeting voor aan/uit/alarm schakeling van een (separate) schakelkast.
- Optioneel: Buitenkast in RVS of kunststof inclusief alarmlamp voor inbouw van de (separate) schakelkast.
- Optioneel: Netonafhankelijk alarm met geïntegreerde GSM module. (i.c.m. een schakelkast).
- Optioneel: Automatisch koppelingssysteem, bestaande uit een koppelingsvoetbocht, koppelingstegenflens en geleidestangconsole.
- Optioneel: Geleidestangen (RVS)
- Optioneel: RVS ophaalketting en RVS harpsluiting
- Optioneel: Balkeerklep met reinigingsopening in gietijzer of PVC, welke de persleiding afsluit wanneer de pomp uitschakelt.
- Optioneel: Afsluiter in gietijzer, messing verchroomd of kunststof, welke de persleiding handmatig kan afsluiten bij bijvoorbeeld onderhoud.
- Optioneel: Divers aansluitmateriaal, zoals koppelingen, (spiraal)slang, PE persleiding, driedelige koppeling, slangklemmen, klemkoppelingen (o.a. Magnum, Plasson) etc.
De AQUAFIX vuilwater dompelpompen voor vuilwater met vast stoffen.
Vuilwater dompelpompen voor het verpompen van vuil- en afvalwater met grove vaste stoffen en vezels. Door de grote vrije doorlaat zijn ze ideaal voor gebruik bij media met grove vaste en vezelige stoffen. Ideaal voor de economische afvoer in openbare en privé omgeving, in industrie en (klein)bedrijf.
Opstelling: Stationair of transportabel. Uitvoering met vlotterschakelaar als automatische afvalwaterpomp met waterstandafhankelijke bedrijfssturing.
Max. tempera¬tuur van het medium: 35˚C, kortstondig tot 60˚C.
Constructie:
Volledig onderdompelbare pomp bestaande uit:
Pomp: Eéntraps met horizontale persaansluiting.
Waaiers: type afhankelijk.
V = vortex waaier voor gas- of luchthou¬dende media met grove of langvezelige, kluwen vormende bestanddelen.
M = gesloten enkelkanaal waaier voor modderige media met vaste stoffen of vezelige bijmengingen.
Modellen TCM met open enkelkanaal waaier voor modderige media met vas¬te stoffen of vezelige bijmengingen.
Motor: Volledig onderdompelbare, drukwaterdichte motor. Beschermklasse IP 68.
Pompen met geïntegreerde steunvoet zonder aftapvoorziening.
Uitvoering W (230 V/1Ph): Met 10 m los kabeleinde.
Schakelkast HX15W enkelpomps; Schakelkast HX25W dubbelpomps, (en niveauschakelaar(s)) als toebehoren leverbaar.
Uitvoering D (400 V/3Ph): Met 10 m los kabeleinde.
Schakelkast HX15D enkelpomps; Schakelkast HX25D dubbelpomps, (en niveauschakelaar(s))als toebehoren leverbaar.
Uitvoering A: Met automatische vlotterschakelaar. (functioneert zonder schakelkast)
Het Aquafix verkoopteam adviseert u graag en gratis in de juiste keuze van de (dompel) pomp, eventuele pompput, putafdekking (luik/putrand), schakelkast en eventuele telemetrie en overige (pomp) accessoires.
.jpg)
.jpg)
.jpg)



.jpg)
.jpg)
.jpg)
.jpg)

